Do you have a question, a remark ? Please contact the author at admin@powderprocess.net
| Section summary |
|---|
| 1. Introduction |
| 2. Prevention |
| 3. Explosion vent for cone discharge
risks |
| 4. Inerting |
Go through this page to understand what can be the root causes of dust explosions in a powder or bulk solids pneumatic conveying system, and how to prevent and mitigate it.
Pneumatic
conveying systems are generally safe systems compared to
other ways of conveying bulk solids. It remains however a system
conveying very often fine solids that can explode, it must
therefore be the object of a certain number of explosion
prevention measures, and in some cases of explosion mitigation.

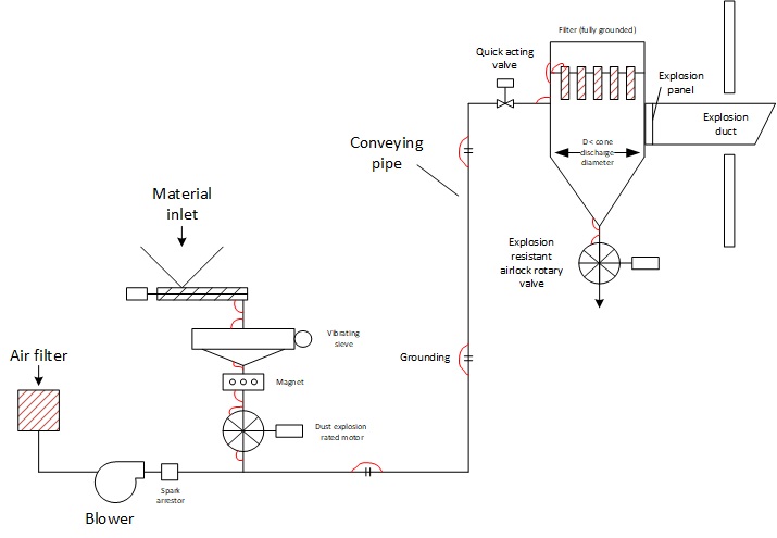
Figure 1 : example of dust explosion
prevention and mitigation measures in a pneumatic conveying system
(note : which measure is to be implemented depends on the case
studied and must be confirmed by a dust
explosion analysis)
Pneumatic conveying systems are quite favorable to explosion prevention. It is a closed system, without moving parts in the flow of product after introduction of the material in the pipe. However, the following measures must be implemented to ensure its safety :
Pneumatic conveying is indeed creating a lot of static electricity because of the movement of the product in the pipe, it is important to consider these different potential ignition sources in the risk analysis.
As mentioned, the movement of the product in the conveying pipe is creating static electricity charges at the surface of the equipment, but also on the product itself. After transport, if the material is not conductive enough, those charges may build up and suddenly flow from the product to the hopper wall, triggering a cone discharge spark which can be enough to ignite the cloud of product in the free space of the hopper.
It is possible to calculate the size of the hopper on which a risk will be present. If the silo has a diameter bigger than the calculated value, the risk exist.
In design phase, it is then recommended to reduce the diameter of the silo. In case the size is still close to the calculated limit diameter, then it is advised to protect the hopper or silo against explosion.
Such protection has generally the following equipment :
Note that, when handling a material having a low MIE, it can be necessary to protect the silo or hopper against explosion even if the cone discharge diameter is not exceeded. It is to take into account possible issues that may happen during the life of the installation, such as a grounding not put back in place correctly and leading to spark discharges.
Another possibility to manage the risk of explosion is the prevent it through inerting. The oxygene level is kept below the low explosivity limit so that, in case of malfunction leading to a source of ignition, the explosion cannot happen due to a lack of oxygen, the comburant.
Such strategy requires a closed loop for the gas in the installation, in order to be able to keep the level of oxygen low while reducing the consumption of nitrogen. The system must be equipped with analysers to control the system by injecting nitrogen when necessary, or, even more importantly, shutting down the system the oxygen levels are too high. The system must also have a way to release an excess of gas if necessary through a balance line to keep the pressure in the system under control.
A pneumatic conveying system must be the object of a dust explosion risk analysis to identify the sources of ignitions and define the right prevention and mitigation measures. Conclusions of the risks analysis must be implemented by the factory.